
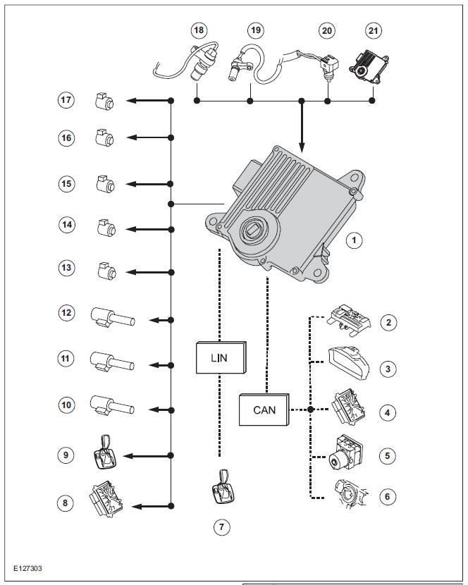
The following overview summarizes the input and output signals from the transmission control module.

| Item | Description | 
| 1 | TCM | 
| 2 | GEM | 
| 3 | Instrument Cluster | 
| 4 | PCM | 
| 5 | ABS | 
| 6 | Cruise control | 
| 7 | Select-shift switch module | 
| 8 | PCM | 
| 9 | Selector lever lock | 
| 10 | PWMsolenoid valve - shift pressure (SLS) | 
| 11 | PWMsolenoid valve for main line pressure (SLT) | 
| 12 | PWM- solenoid valve - TCC (SLU) | 
| 13 | Shift solenoid S1 (open when dormant) | 
| 14 | Shift solenoid S2 (closed when dormant) | 
| 15 | Shift solenoid S3 (closed when dormant) | 
| 16 | Shift solenoid S4 (open when dormant) | 
| 17 | Shift solenoid S5 (closed when dormant) | 
| 18 | The TSS sensor | 
| 19 | The OSS sensor | 
| 20 | The TFT sensor | 
| 21 | TR sensor in TCM | 
Hard wired
Item 18: ISS (input shaft speed) sensor
Item 19: OSS sensor
Item 20: TFT sensor
Item 21: TR sensor
Via the LIN data bus
Item 7: Selector lever module (select-shift module)
Via the CAN data bus
Item 4: PCM
Used for starting the transmission fluid pressure and diagnosis functions.
Item 5: ABS module
Item 6: Vehicle speed control system
Hard wired
Item 8: PCM
Item 9: Selector lever module (select-shift module)
Position 10: PWM solenoid valve - shift pressure (SLS)
Position 11: PWM solenoid valve - main line pressure (SLT)
Position 12: PWM- solenoid valve - TCC (SLU)
Items 13 - 17: Shift solenoids S1 - S5
Via the LIN data bus
Item 7: Selector lever module (select-shift module)
Via the CAN data bus
Item 2: GEM
Item 3: Instrument Cluster
Item 4: PCM
Item 5: ABS module

| Item | Description | 
| 1 | PWMsolenoid valve for main line pressure (SLT) | 
| 2 | PWM- solenoid valve - TCC (SLU) | 
| 3 | PWMsolenoid valve - shift pressure (SLS) | 
| 4 | Shift solenoid S4 | 
| 5 | Shift solenoid S3 | 
| 6 | Shift solenoid S1 | 
| 7 | Shift solenoid S5 | 
| 8 | Shift solenoid S2 | 
The hydraulic pressure is distributed to the individual clutches and brakes in the valve body.
The hydraulic paths and the hydraulic pressure are controlled electronically via three PWM solenoid valves and five shift solenoid valves.
The shift solenoid valves S1-S5 are either in the 'open' or 'closed' state.
The control valves (SLT and SLS) regulate the hydraulic pressure in accordance with the duty cycle of the electrical PWM signal. The controlled hydraulic pressure enables smooth shifting or the generation of a defined slip through actuation of the relevant clutches and brakes.
The control valve (SLU) regulates the hydraulic pressure in accordance with the duty cycle of the electrical PWM signal. It controls the torque converter clutch. The PWM control achieves smooth engagement of the gears.
The shift timing is calculated by the TCM using the accelerator pedal position and vehicle speed.
Under normal conditions, the gears are shifted and the torque converter lockup is activated at low engines speeds in order to reduce the fuel consumption.
If the accelerator pedal is pressed down quickly, the TCM switches automatically into kickdown mode.
Function of the shift solenoid valves in the gears and when shifting gears


| Item | Description | 
| 1 | Shift solenoid S1 | 
| 2 | Shift solenoid S4 | 
| 3 | Shift solenoid S3 | 
| 4 | Shift solenoid S5 | 
| 5 | Shift solenoid S2 | 
Shift solenoids S1, S2, S3, S4 and S5 are located in the control valve assembly on the front of the transmission.
Function
The shift solenoid valves are actuated by the TCM TCM. The shift solenoid valves S1 and S4 are fully open when de-energized. The shift solenoid valves S2, S3, and S5 are fully closed when de-energized.
They control gearshifting, while the TCM decides which gear should be engaged by activating the shift solenoid valves in different combinations.
Consequences of signal failure

| Item | Description | 
| 1 | Shift solenoid S1 | 
| 2 | Shift solenoid S2 | 
| 3 | Shift solenoid S3 | 
| 4 | Shift solenoid S4 | 
| 5 | Shift solenoid S5 | 
| 6 | TCM connector 'C' | 
If a shift solenoid valve fails, the MIL is activated and the vehicle can be driven in the appropriate emergency mode.
Failure of the shift solenoids


Installation position
The PWM solenoid valve for the TCC (SLU) is located in the valve body on the front of the transaxle.
Function

| Item | Description | 
| 1 | Hydraulic pressure | 
| 2 | Average current (A) | 
The valve actuates the torque converter clutch as well as the reverse gear brake (B3) and 2nd - 5th gear brake (B2). The PWM control achieves smooth engagement of the gears. The two brakes are actuated in 1st and 2nd gear to guarantee engine braking.
The valve also actuates the torque converter in such a way that is works in three positions: 'open', 'controlled looping (slip lock-up mode)', and 'locked (full lock-up mode)'. The hydraulic function of the valve is linear.
In lockup mode the TCC is closed. The impeller and the turbine of the torque converter are friction locked. The engine torque acts directly on the transmission input shaft. Fuel consumption is reduced due to a reduction in the torque converter pump losses.
In slip lock-up mode, slip in the TCC is permitted in order to improve driving comfort. The hydraulic pressure acting on the TCM varies in accordance with the duty signal of the actuation signal generated by the PWM for the TCC solenoid valve for the TCC (SLU). The temperature of the transmission fluid increases in slip mode.
Consequences of signal failure

| Item | Description | 
| 1 | PWM- solenoid valve - TCC (SLU) | 
| 2 | TCM connector 'C' | 
If the PWM solenoid valve for the TCC (SLU) fails, the MIL is activated and the vehicle can be driven in emergency mode 1.

Installation position
The PWM solenoid valve for shift pressure (SLS) is located in the valve body on the front of the transaxle.
Function

| Item | Description | 
| 1 | Hydraulic pressure | 
| 2 | Average current (A) | 
The valve directly actuates the multi-plate brake (B1) in 2nd - 4th gear as well as the clutch (C2) in 5th and reverse gear. The PWM control achieves smooth engagement of the gears.
The hydraulic function of the valve is linear. The hydraulic valve is controlled by means of the varying current resulting from the current duty cycle. The system pressure is low with a high duty cycle, i.e. with high current intensity (approx. 1 A), and vice versa.
Consequences of signal failure

| Item | Description | 
| 1 | PWMsolenoid valve - shift pressure (SLS) | 
| 2 | TCM connector 'C' | 
The shift pressure increases to the maximum value in the event of interruptions, which leads to hard gearshifts when shifting to another gear. The valve is then fully open.
If the PWM solenoid valve for shift pressure (SLS) fails, the MIL is activated and the vehicle can be driven in emergency mode 3.

Installation position
The PWM solenoid valve - main line pressure (SLT) is located in the control valve assembly on the front of the transmission.
Function

| Item | Description | 
| 1 | Hydraulic pressure | 
| 2 | Average current (A) | 
The PWM solenoid valve for main line pressure (SLT) is actuated proportionally by the TCM.
The TCM evaluates the accelerator pedal position and the current engine torque.
The main line pressure is adapted proportionally by the TCM via the PWM solenoid valve. This measure enables judder-free gearshifts.
The PWM solenoid valve is open when de-energized. In the case of faults and failure of the control system, the PWM solenoid valve remains fully open. The maximum main line pressure is applied.
Consequences of signal failure

| Item | Description | 
| 1 | PWMsolenoid valve for main line pressure (SLT) | 
| 2 | TCM connector 'C' | 
The system pressure increases to the maximum value in the event of interruptions, which leads to hard gearshifts when shifting to another gear. The valve is then fully open.
If the PWM solenoid valve - main line pressure (SLT) fails, the MIL is activated and the vehicle can be driven in emergency mode 1.
Installation position
The TCC is an integral component of the torque converter.
Operation
The TCM controls the PWM via the TCC solenoid valve for the TCC (SLU). Based on the signals for engine speed and accelerator pedal position as well as vehicle speed, driving comfort is improved by linear actuation of the TCC.

The selector lever unit is located in the central console. It is mechanically connected to the transmission by a selector cable which moves the gear selector shaft in the TR sensor.
The following components are integrated in the selector lever assembly:
The selector lever has the following positions:
If the selector lever is not in the 'P' position when the vehicle is exited, a signal is transmitted to the instrument cluster via the switch contact for selector lever position 'P'. When the driver door is opened, a message to move the selector lever to the 'P' position appears in the instrument cluster and the warning buzzer sounds. The vehicle cannot be electrically locked if the selector lever is not moved to the 'P' position.
Overview of the select-shift switch module

The select-shift switch module is located on the upper trim of the selector lever unit. The module is supplied with power by the TCM.
It uses the LIN databus to interact with the TCM, for instance to activate the selector lever position display.
It allows the automatic transmission gears to be changed up and down manually via the signals of the Hall sensors.
The select-shift switch module detects the selector lever position 'P' and 'S' via the integrated selector lever position sensors (Hall sensors).
A cable leading from the TCM passes directly to the select-shift switch module and is used to control the solenoid of the selector lever lock. The switching solenoid receives its voltage supply directly from the module.
In the event of a fault, a signal is transmitted to the TCM where all DTCs are stored.

| Item | Description | 
| 1 | Fluid pump rotor, outer | 
| 2 | Fluid pump rotor, inner | 
| 3 | Drive | 
| 4 | Intake side | 
| 5 | Delivery side | 
The fluid pump operates on the principle of a G-rotor fluid pump.
The fluid pump draws transmission fluid from the fluid pan, builds up fluid pressure and then supplies it to the valve body.
The fluid pump is driven by the crankshaft via the torque converter housing.

| Item | Description | 
| 1 | Torque converter housing and impeller | 
| 2 | Turbine | 
| 3 | TCC | 
| 4 | Transaxle input shaft | 
| 5 | Stator with roller-type one-way clutch | 
The torque converter transmits the output torque hydraulically from the engine to the transaxle input shaft.
The stator increases the torque up to the clutch take-up point. At the clutch take-up point, the speed difference between impeller and turbine is approximately 90 %.
In order to improve the efficiency, the torque converter features a hydraulically-activated TCC.
When the TCC is engaged, the torque is transmitted directly from the crankshaft via the torque converter housing to the transaxle input shaft.
Installation position
The TCC is an integral component of the torque converter.
Function
The TCM controls the PWM via the TCC solenoid valve for the TCC (SLU). Based on the signals for engine speed and accelerator pedal position as well as vehicle speed, driving comfort is improved by linear actuation of the TCC.

| Item | Description | 
| A | APP (accelerator pedal position) | 
| B | Vehicle speed | 
| 1 | TCC disengaged | 
| 2 | Slip lock-up mode | 
| 3 | Full lock-up mode | 
Full lock-up mode
In lockup mode the TCC is closed. The impeller and the turbine of the torque converter are friction locked. The engine torque acts directly on the transmission input shaft. Fuel consumption is reduced due to a reduction in the torque converter pump losses.
Full lock-up mode of the TCC is not generated at engine temperatures below 20 C (68 F).
Slip lock-up mode
In slip lock-up mode, slip in the TCC is permitted in order to improve driving comfort. The hydraulic pressure acting on the TCM varies in accordance with the duty signal of the actuation signal generated by the PWM for the TCC solenoid valve for the TCC (SLU). The automatic transaxle temperature increases in slip lock-up mode.

The TSS sensor is mounted at the top of the transmission housing. It is an active sensor and is supplied with 12 V.
Function

| Item | Description | 
| 1 | Signal voltage | 
| 2 | Signal frequency | 
| 3 | Transmission input shaft speed | 
The TSS sensor is a Hall sensor. It generates a square-wave signal, the frequency of which varies depending upon the speed of the transmission input shaft.
The frequency of the square-wave signal increases with the transmission input shaft speed. The TSS sensor picks up the speed at the housing of the 1st - 5th gear clutch (C1).
The TCM uses the information from the TSS sensor to determine the following parameters:
Consequences of signal failure

| Item | Description | 
| 1 | The TSS sensor | 
| 2 | TCM connector 'B' | 

The OSS sensor is located at the rear of the transmission casing. It supplies signals about the transaxle output speed to the TCM.
Function

| Item | Description | 
| 1 | Signal voltage | 
| 2 | Signal frequency | 
| 3 | Transmission input shaft speed | 
The OSS sensor is a Hall sensor. The OSS sensor generates a square-wave signal, the frequency of which varies depending upon the speed of the transaxle output shaft. The frequency of the square-wave signal increases with the speed of the transmission output shaft.
The OSS sensor picks up the speed at the gear of the parking lock.
The TCM uses the information from the OSS sensor for the following parameters:
Consequences of signal failure

| Item | Description | 
| 1 | The OSS sensor | 
| 2 | TCM connector 'B' | 

The TFT sensor is located in the valve body and is an integral component of the internal transaxle wiring harness.
Function

| Item | Description | 
| 1 | Resistance (Ohms) | 
| 2 | Temperature (C) | 
The sensor is an NTC (negative temperature coefficient) (negative temperature coefficient) sensor. The voltage supply is 5 V. The transmission fluid temperature is detected by measuring the voltage drop across the NTC resistor.
The TCM uses the transmission fluid temperature information for the following calculations:
Consequences of signal failure

| Item | Description | 
| 1 | The TFT sensor | 
| 2 | TCM connector 'C' | 

The TR sensor and the TCM form one unit. This unit is located at the top of the transmission casing, on the gear linkage.
Function
The TR sensor has three separate functions:
The TR sensor contains a permanent magnet and a linear Hall detector. It produces a signal voltage between 0 and 5 V. This signal voltage corresponds to the selector lever position currently chosen.
Voltage values for the different gears:
Consequences of signal failure
If the TR sensor fails, the MIL is activated and the vehicle can be driven in emergency mode 4. The vehicle can no longer be started for safety reasons after the ignition is switched off because the TCM does not detect the current transmission range.
If a shift solenoid valve fails, the MIL is activated and the vehicle can be driven in the appropriate emergency mode.