
| Item | Description |
| 1 | Electric Booster Heater Refer to Component Description: (page ?) |
| 2 | GEM (generic electronic module) |
| 3 | Outside temperature sensor |
| 4 | Climate control system control assembly |
| 5 | Generator and Alternator |
| 6 | PCM (powertrain control module) |
| 7 | Coolant temperature sensor (ECT (engine coolant temperature) sensor) Refer to Component Description: ECT (page ?) |
| 8 | instrument cluster |

| Item | Description |
| 1 | Electric Booster Heater Refer to Component Description: (page ?) |
| 2 | GEM |
| 3 | Outside temperature sensor |
| 4 | Climate control system control assembly |
| 5 | Generator and Alternator |
| 6 | PCM |
| 7 | Coolant temperature sensor (ECT sensor) Refer to Component Description: ECT (page ?) |
| 8 | instrument cluster |

| Item | Description |
| 1 | Fuel powered booster heater Refer to Component Description: Detailed illustration of fuel-fired heater (page ?) |
| 2 | GEM |
| 3 | Outside temperature sensor |
| 4 | Climate control system control assembly |
| 5 | Blower control module |
| 6 | Blower motor |
| 7 | Crankshaft position (CKP) sensor |
| 8 | PCM |
| 9 | Coolant temperature sensor (ECT sensor) Refer to Component Description: ECT (page ?) |
| 10 | instrument cluster |
| 11 | Fuel level sensor |
| 12 | Fuel pump Refer to Component Description: (page ?) |
| 13 | Water pump Refer to Component Description: (page ?) |
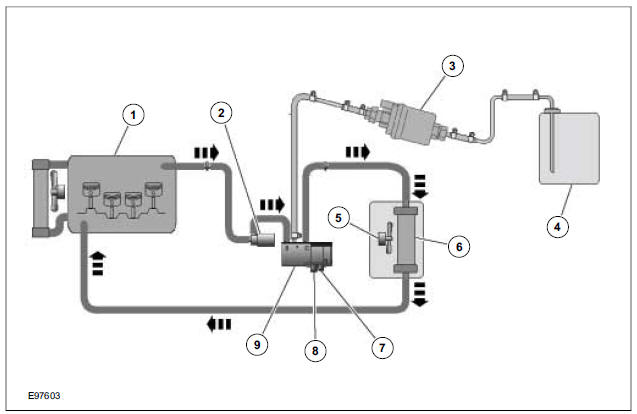
Coolant circuit - Programmable fuel fired booster heater

| Item | Description |
| 1 | Engine |
| 2 | Water pump |
| 3 | Fuel pump |
| 4 | Fuel tank |
| 5 | Blower motor |
| 6 | Heat exchanger |
| 7 | Air Intake |
| 8 | Exhaust pipe |
| 9 | Auxiliary Heaters |