

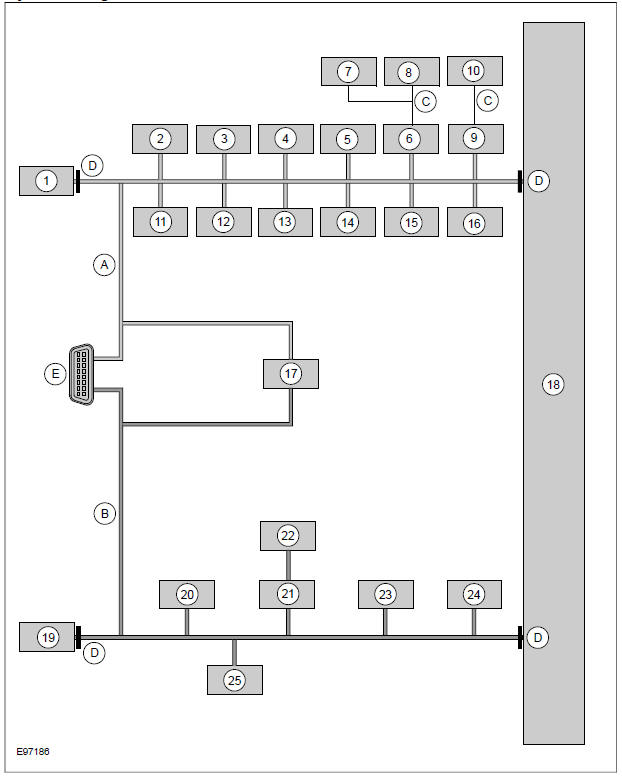
| Item | Description | 
| A | Medium speed CAN (controller area network) bus (MS-CAN) | 
| B | High speed CAN bus (HS-CAN) | 
| C | LIN (local interconnect network) bus | 
| Drive | Terminating resistors | 
| E | DLC (data link connector) | 
| 1 | GEM Refer to Component Description: ABS | 
| 2 | Fuel fired booster heater /programmable fuel fired booster heater | 
| 3 | The EATC control module | 
| 4 | Reversing camera module (RVC) | 
| 5 | Parking aid module (PAM) | 
| 6 | DDM | 
| 7 | Front driver's side switch unit | 
| 8 | Driver's side RDM | 
| 9 | PDM (Passenger Door Module) | 
| 10 | Passenger side RDM | 
| 11 | Audio unit/navigation unit | 
| 12 | CD changer | 
| 13 | Navigation system module - vehicles equipped with DVD navigation system with touch screen (not communicating with the diagnostic unit) | 
| 14 | Navigation system display - vehicles equipped with DVD navigation system with touch screen (not communicating with the diagnostic unit) | 
| 15 | Control module for electronic auxiliary equipment (BVC) | 
| 16 | RCM | 
| 17 | Keyless vehicle module (KVM) | 
| 18 | Instrument Cluster | 
| 19 | PCM | 
| 20 | Fuel additive system module. | 
| 21 | ABS module or electronic stability program module | 
| 22 | Yaw rate sensor/lateral acceleration sensor | 
| 23 | Headlamp Leveling Module | 
| 24 | All-wheel drive control unit | 
| 25 | Electrohydraulic power steering module |